Правила установки тахографа
Для прибора в салоне отведено штатное место 1din. Тахограф надо установить так, чтобы его было хорошо видно водителю во время поездки, а также он был легкодоступен для проверки. Если не предусмотрено место крепления датчика, то для его установки потребуется проявить всю смекалку. Относительно датчика, который необходимо приобрести, лучше посоветоваться со специалистом в данном конкретном случае.
Спутниковые антненны должны быть установлены так чтобы «видеть» небосвод. Недопускается установка под металлическими поверхностями. Возможно выносить антенны на крышу кабины, но в этом случае я бы рекомендовал промазать все герметиком.
Провод, идущий отдатчика к тахографу необходимо проложить так, чтобы его целостность можно было проконтролировать визуально. При монтаже провод запрещается разрезать – у маршрута прокладки, не должно быть узких мест. Поскольку провода бронированы, места изменения направления должны иметь большой радиус. Правда, опыт их эксплуатации свидетельствует о плохой стойкости к реагентам, используемым в ряде российских регионов, поэтому провода прокладывать лучше в местах труднодоступных для попадания на них соли.
Если во время установки датчика тахографа приходится отключать датчик спидометра, то потребуется протянуть провода от устройства к спидометру. Следует учитывать, что запрещено врезаться в датчик спидометра — сигнал надо брать с другого разъема тахографа.
Поскольку датчики различаются по характеристикам сигнала и по их количеству относительно пройденного расстояния, то калибровке специалистом также подлежит спидометр.
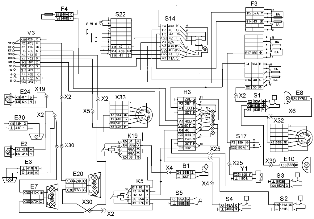
Блок реле предохранителей КАМАЗ 5490, 65206 65207
Можно применять некачественное топливо, причем использовать любую его разновидность.

Электрическая схема системы контрольно-измерительных приборов: 1 — указатель уровня топлива; 2 — датчик указателя уровня топлива; 3 — предохранитель Обе батареи монтируются в специальный ящик, расположенный на раме машины, позади кабины. Еще одна проблема, которая может произойти — это выход из строя генератора или его неполноценная работа.

При замене проводки помните о том, что кабель лучше несколько раз заизолировать перед укладкой. Выключатель 8 аварийной световой сигнализации обеспечивает одновременное включение всех указателей поворота в прерывистом режиме. Натяжение ремней привода генератора и водяного насоса : — отклонив генератор вверх, обеспечьте номинальное натяжение ремней, затяните болт регулировочный , болт крепления планки генератора и гайки болтов крепления передней и задней лап генератора.

Световые индикаторы и звуковая сигнализация Мигающая индикация указателей обеспечивается аварийным реле-прерывателем. Не подсоединяйте и не отсоединяйте штепсельные разъемы и плюсовой вывод генератора при работающем двигателе и включенных аккумуляторных батареях, а также не пускайте двигатель при отсоединенном плюсовом проводе генератора.

Выключатель 8 аварийной световой сигнализации обеспечивает одновременное включение всех указателей поворота в прерывистом режиме. На вкладыше к Руководству приведены принципиальная схема электрооборудования автомобиля, перечень элементов схем с указанием маркировки типа этих элементов от основных поставщиков. Функциональная схема световой и звуковой сигализации тормозной системы.

К нему относятся: Фары ближнего и дальнего света; Освещение номерного знака; Противотуманные фонари; Фара, которая освещает пространство под кузовом. Выключатель 8 аварийной световой сигнализации обеспечивает одновременное включение всех указателей поворота в прерывистом режиме. При этом замыкаются контакты датчика 20, установленного в контуре III пневмопривода тормозных механизмов, и загорается контрольная лампа. Поскольку этот узел отвечает за работоспособность всего оборудования во время движения, о его поломке вы узнаете сразу. Электроэнергию вырабатывает генераторная установка.
На схемах рядом с условным изображением элементов электрооборудования приведены номера присоединяемых электропроводов, буквами обозначен их цвет: Б — белый; Г — голубой; Ж — желтый; 3 — зеленый; К — красный; КЧ — коричневый; О — оранжевый; Р — розовый; С — серый; Ф — фиолетовый; Ч — черный. Цена распечатки 10 листов в разы меньше, чем стоимость инструкции, предлагаемой различными ресурсами и издательствами. Возможные неисправности проводки Поломки в работе электропроводки — это проблема, с которой сталкиваются многие наши соотечественники. В системе применяется реверсивный электродвигатель МЭ
Электростартер управляется через реле, при помощи выключателя приборов. Электросхема блока освещения Внутреннее и наружное освещение предназначены для эксплуатации автомобиля в условиях плохой видимости и темное время суток. Функциональная схема световой и звуковой сигализации тормозной системы. Звуковая сигнализация предназначена для оповещения о нормальной работе агрегатов. Несмотря на прекращение производства, устройство активно применяется в строительстве, так как до сих пор актуально по своим параметрам. Электрооборудование КАМАЗ. Схемы эектрооборудования.ТОэлектрооборудования автомобиля КАМАЗ
Принцип работы датчика скорости
Большинство датчиков работают на эффекте Холла. Для определения скорости и километража используются частотные импульсы, которые подаются с определенным интервалом. Импульсы возникают при вращении колес, поэтому механика высчитывает данные и они отображаются на приборах транспорта. Обычно на каждый километр выдается до 6 тысяч сигналов. Самым совершенным считается датчик скорости КамАЗ евро, так как он создан на основе современных стандартов и европейского опыта в автомобильной сфере, отличается информативностью, точностью.

Контактные датчики
Основой таких устройств является соответствующая микросхема со специальной пластинкой и усилительной схемой. Микросхема и магнит не двигаются. Для изменения магнитного поля и считывания импульсов вращаются кольца со специальными прорезями. Наличие небольших разъемов позволяет считывать показатели для отображения на приборах. По такому принципу сделан датчик скорости КамАЗ 5320 старого образца.
Однако на отечественных моделях, в том числе 4308, 53504 (название появилось у некоторых модификациях после рестайлинга 44108) техническая система усовершенствована. Так же можете прочитать про Развести колодки на Камазе – Правильная установка колодок.
Бесконтактные датчики
Устройство работает на эффекте Холла, но конструкция отличается. На валу агрегата (КПП или редуктора моста) находится ротор или импульсный диск с участками, являющимися намагниченными. Между микросхемой Холла и ротором предусмотрен зазор, но при этом импульсные сигналы успешно считаются через стандартные разъемы. Такая схема скорости датчика КамАЗ считается надежной, так как запчасти меньше взаимодействуют друг с другом и предотвращается нежелательное механическое влияние.
Процесс установки
Весь процесс можно разделить на несколько этапов:
- осмотр машины на предмет необходимости замены датчика скорости и спидометра;
- подбор и замена (по необходимости) датчика скорости и спидометра;
- подключение проводов тахографа к датчику скорости и спидометра;
- проверка;
- калибровка и активизация блока СКЗИ(производится в специализированном центре).
Теперь о каждом пункте подробнее.
Датчик скорости и спидометр
При осмотре ТС необходимо обратить внимание на датчик скорости и спидометр. Если спидометр механический с тросиком, то его однозначно под замену, а также потребуется установка датчика скорости
Возможен вариант использования проходного датчика, чтобы оставить старый спидометр, но этот вариант только на крайний случай. При установке тахографа на Камаз, могут встретиться датчики скорости в виде маленького генератора, который в зависимости от скорости меняет напряжение которое подается в спидометре, в котором установлен моторчик, скорость вращения которого напрямую зависит от напряжения. При установке тахографа нам МАЗ нам может понадобиться переходник для монтажа нового датчика скорости, его можно подобрать в магазине или выточить (для особых экстремалов).

Какой спидометр установить выбирать только Вам, все зависит от бюджета и размера отверстия на панели приборов. Более подробно с моделями спидометров и датчиков скорости вы можете ознакомиться в каталоге на нашем сайте. Вернемся к установке, если нужно менять спидометр и датчик, проводим работы по их замене. Проводятся они очень просто, чуть выше даны рекомендации по прокладке нового кабеля от коробки до спидометра. Датчик скорости как правило просто выкручивается, и взамен его вкручивается новый.
Теперь подключаем устройство к бортовой сети
Схема подключения тахографа как правило разная, вызвано это огромным количеством не только марок машин, но и их модификациями. Как правило основные подключаемые провода при монтаже: — питание +12\24 Вольта. Берется на 1 контуре питания или протягивается от АКБ; — масса. Подключается на корпус или тянется из клеммной колодки с массой. если на кузове\корпусе ТС нет массы (например автомобили MAN); — зажигание. Как правило есть на замке зажигания (тумблере) или под приборной панелью, обозначается как ACC; — включение габаритов\ближнего света. Предназначено для автоматической регулировки яркости дисплея тахографа, берется от блока предохранителей, в котором предохранитель от света или от провода на фары под приборной панелью; — питание датчика скорости. Питание идет от тахографа к датчику. Тут все просто, согласно схемы на датчике подаем плюс; — масса датчика скорости аналогично; — сигнал от датчика скорости. Просто подключаем от датчика напрямую на разъем; — выход на спидометр. Подключается для того, чтобы работал спидометр. Подключение производить именно от тахографа, а не от датчика скорости. Скрутки «все в кучу» не допускаются! — дополнительное оборудование по необходимости (датчики уровня топлива, температурные датчики и доп. оборудование).
Где купить подмотку спидометра «КАМАЗ»?
Конечно, осуществлять намотку электронного спидометра можно вручную, но не всегда у автовладельца на это есть время. Если вы хотите изменить показания спидометра «КАМАЗ» легко и быстро, без лишнего риска, затрат денег и времени – просто обратитесь в и закажите подмотку спидометра «КАМАЗ».
Боитесь, что не разберетесь, как накрутить спидометр на «КАМАЗе» самостоятельно, без помощи специалистов? Не переживайте! К прибору прилагается подробная инструкция по его применению, кроме того, вы всегда можете связаться с нашими консультантами, и они подробно опишут вам специфику проведения этой процедуры.
В вы найдете качественные подмотки для спидометров в ассортименте от ведущих производителей. Доступная стоимость, длительный гарантийный срок и гибкая система скидок – разве этого недостаточно, чтобы сделать выбор в нашу пользу?



































