Элементы цепи зажигания
Система зажигания является важным элементом в работе всего скутера. От нее зависит формирование искры и точно рассчитанный импульс, который поджигает топливо.
В состав схемы зажигания скутера входит множество компонентов, которые отвечают за определенную работу.
Модуль зажигания CDI
Первым в списке элементов стоит модуль CDI. Эта аббревиатура означает Capacitor Discharge Ignition — зажигание от разряда конденсатора.
Модуль коммутатора выполнен в неразборной коробке, поэтому при выходе его из строя он меняется на новый. К нему подключается 5 проводов, разведенных по всей схеме зажигания скутера.
Блок запрятан внутри скутера, подобраться к нему не просто. Пластиковые накладки придется полностью демонтировать.

Катушка зажигания
Назначение этого компонента – быстрый импульс высоковольтного напряжения по сигналу коммутатора. Оно поступает прямо на свечу, где преобразуется в искру.

Находится катушка с правой стороны скутера — китайца и крепится к его несущей конструкции. Распознать ее просто – она выполнена в виде пластиковой бочки. С обратной стороны находится подключенный толстый провод. Именно он переносит разряд по схеме от трансформатора на свечу.
Для защиты от попадания грязи и пыли катушка помещена в резиновый чехол.
Свеча зажигания
Ее функция проста – образовать искру и поджечь смесь внутри цилиндра. В скутере используется свеча типа А7ТС.
Ее положение скрыто от глаз, но опытные владельцы знают, где ее искать. Пройдя по высоковольтному проводу, доходим к блоку двигателя и колпачку свечи.

Резиновый уплотнитель защищает контакт от случайного электрического пробоя. Снимается небольшим усилием по направлению к себе. Сильно дергать за провод не стоит – колпачок может оторваться.
Выкручивается свеча торцовым ключом. После извлечения нужно осмотреть цвет контактов, их состояние. Показатель хорошей работы двигателя – коричневый оттенок без следов нагара. Отклонение от нормы свидетельствует о сбоях в работе карбюратора.

Стартер
Прибор служит для облегченного запуска двигателя скутера, без использования кик-педали. Стартер размещается в средней части мопеда, возле двигателя. Чтобы его открыть, необходимо снять декоративный пластик.

Подключается стартер через пусковое реле, которое находится на раме скутера.

Датчик и индикатор топлива
Датчик измеряет количество бензина в баке и сигнализирует о необходимости заправки. Он находится в самом баке и соединен тремя проводами.
Индикатор напрямую связан с датчиком. Оба питаются стабилизированным током с выпрямителя. Если наблюдаются проблемы в работе индикатора, следует проверить подключение к схеме.
Напряжение подается только при включенном замке зажигания.
Реле поворотов
Прерыватель служит для управления фонарями поворотов. При замыкании кнопки, реле выдает импульсы тока, частотой 1 Гц.
Находится блок под панелью приборов. Чтобы поменять реле нужно снять пластмассовую защиту.

Коммутация схемы не представляет сложности. При правом повороте, напряжение течет по синему проводу, который отвечает за соответствующие лампы. Левое положение переключателязамыкает серую шину на оранжевую.
Параллельно к магистралям схемы поворотов подключены дублирующие лампы на панели приборов. Они сигнализируют о включенных лампах с конкретной стороны скутера.
Звуковой сигнал
Назначение звукового клаксона понятно всем. На скутере он расположен возле реле-ограничителя.

Питается сигнал постоянным током через замок зажигания и активируется кнопкой на руле мопеда. Компонент является неразборным, поэтому при выходе из строя его меняют полностью.
Схема проводки мопеда дельта китай
Принципиальная электрическая схема китайских скутеров изображена на рисунке:

Как и в других электрических соединениях, на мопедах любых кубов существует общий провод. На данной схеме им выступает минусовая шина, проходящая по всему кузову. Соответствующая клемма аккумулятора также соединена с рамой скутера, что обеспечивает беспрерывный контакт массы каждого электрического компонента с источником питания.
Электрика и электрооборудование скутера
Основными компонентами в схеме 4т мопеда являются:
- центральный замок;
- источник зарядки аккумулятора – генератор;
- ограничитель напряжения;
- системы образования и контроля искры;
- управляющие элементы для фар, стоп-сигнала, поворотов;
- индикатор уровня топлива в баке.
В зависимости от модификаций и кубов скутера, в панель приборов может включаться тахометр – прибор контроля количества оборотов двигателя.
Все перечисленные узлы общей схемы выполняют строго назначенную им роль. Выход из строя хоть одного из них ведет к прекращению работы подключенных приборов. Поэтому контроль исправности основных элементов необходимо проделывать каждый определенный период, с целью профилактики.
Генератор
Владельцы 50сс, которые знакомы с конструкцией скутера, сразу поймут назначение данного прибора. Он вырабатывает переменный электрический ток, которым питается мопед при заведенном двигателе. Но вторым главным заданием является зарядка аккумулятора во время работы. То есть батарея обеспечивает работу приборов при заглушенном моторе, а дальше эту задачу берет генератор.
Подключение выполняется по следующему принципу. От генератора отходят несколько проводов. Минусовая шина прикреплена к раме скутера. На белом проводе присутствует переменное напряжение, которое сразу отправляется на выпрямление и стабилизацию.
В электросхеме желтый провод питает фонарь ближнего и дальнего света. Дополнительно в корпусе генератора размещен датчик Холла. Его задача – сформировать импульсы для управления искрообразованием. Электрически он не подсоединен к генератору, с ним связаны бело-зеленый и красно-черный провод. Датчик коммутируется с блоком CDI.
Регулируем бесконтактную систему зажигания
Бесконтактная система работает посредством датчика, коммутатора, первичной и вторичной обмоток зажигания. Когда ротор с магнитом замыкает датчик, он посылает сигнал коммутатору, который, в свою очередь, начинает накапливать ток из генератора и передавать его в первичную обмотку. Во вторичной обмотке зажигания в этот момент появляется высокое напряжение. Его цель – разжечь искру. При наличии неисправностей, перечисленных выше, регулировка проводится простым совмещением меток картера и зажигания, для этого следует снять крышку клапанов. Дальнейшие действия таковы:
- Разбираем картер в соответствии с техническим описанием для вашего авто.
- На роторе и картере в положении мёртвой точки двигателя делается пометка в удобном для обзора месте.
- Вращая коленчатый вал, добиваемся искры, делаем отметину на картере относительно метки, сделанной на нём в МТД. Разница между этим метками на картере и есть опережение зажигания.
- Разжимаем крепежные болты статора и выставляем угол опережения, соответствующий технической документации.
Важно проследить, чтобы два из трех отверстий шестерни под цепь были на уровне цилиндра, а оставшееся – над плоскостью, в которой находится цилиндр и упомянутые дырки. На мопеде альфа надежная система зажигания, но и она может сломаться, не стоит откладывать эту поломку и ездить на неисправном мопеде. Нужно просто попробовать выставить зажигание
Зажигание можно выставить самостоятельно, если у вас есть спец-инструменты и минимальные умения (навыки). Если этого нет, то лучше всего стоит обратиться к специалистам
Нужно просто попробовать выставить зажигание. Зажигание можно выставить самостоятельно, если у вас есть спец-инструменты и минимальные умения (навыки). Если этого нет, то лучше всего стоит обратиться к специалистам
На мопеде альфа надежная система зажигания, но и она может сломаться, не стоит откладывать эту поломку и ездить на неисправном мопеде. Нужно просто попробовать выставить зажигание. Зажигание можно выставить самостоятельно, если у вас есть спец-инструменты и минимальные умения (навыки). Если этого нет, то лучше всего стоит обратиться к специалистам.
Замок зажигания
Данный компонент в схеме 4 -тактного мопеда 50сс или 150сс представляет переключатель. Причем он многопозиционный.
Замок выполняет задачу центрального рубильника. Он выключает питание всего скутера и включает цепь обратно при повороте ключа. Сама личинка соединена с бегунком, который замыкает соответствующие контакты.
В первом положении взаимодействуют главные провода – красный и черный. Ток от аккумуляторной батареи поступает к основным цепям скутера. С тех пор он готов к запуску.
Остальные положения замыкают черно-белый провод из модуля зажигания на массу скутера. Выполняется блокировка работы мотора путем прерывания подачи искры из катушки. В зависимости от модификации, некоторые модели в электросхеме имеют стоп-кнопку. Она выполняет ту же функцию, что и замок.
Скачивание книги
После успешного прохождения платежа (любым способом) и возврата в магазин KrutilVertel с сайта платежной системы Вы попадаете на страницу успешной оплаты:
Купленная Вами книга будет находиться в Вашем личном кабинете, откуда ее всегда можно будет скачать.
Обратите внимание, что после совершения оплаты, Вам необходимо вернуться обратно с сайта платежной системы на сайт KrutilVertel. В случае, если по каким либо причинам Вы не вернулись обратно на сайт и закрыли вкладку платежной системы с сообщением про успешное прохождение платежа, сообщите нам об этом – мы вышлем Вам письмо в котором будет указан доступ для скачивания книги. В случае, если по каким либо причинам Вы не вернулись обратно на сайт и закрыли вкладку платежной системы с сообщением про успешное прохождение платежа, сообщите нам об этом – мы вышлем Вам письмо в котором будет указан доступ для скачивания книги
В случае, если по каким либо причинам Вы не вернулись обратно на сайт и закрыли вкладку платежной системы с сообщением про успешное прохождение платежа, сообщите нам об этом – мы вышлем Вам письмо в котором будет указан доступ для скачивания книги.
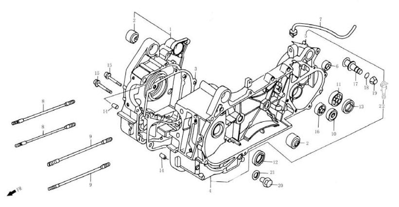
Схема двигатель скутера 150 кубов
Схема двигателя китайского производства на 150 кубовый 157QMJ скутер
Подробное описание и разборка двигателя для ремонта скутера в описании указаны все элементы
Двигателя скутера для кап ремонта и регулировки данного агрегата.


1 Половина картера правая в сборе2 Сайлентблок передний3 Прокладка картера4 Половина картера левая в сборе5 Втулка6 Сайлентблок задний7 Трубка8 Шпилька 8×187.59 Шпилька 8×195.510 Подшипник 620111Подшипник 600412 Манжета 19.8x30x513 Манжета 27x42x714 Штифт 8×1415 Болт М6х5016 Подшипник 600217 Вал тормоза18 Кольцо 7.5×1.519 Гайка М820 Болт сливного отверстия21 Шайба М1222 Рычаг тормоза

1 Пластина ограничительная2 Полушкив левый3 Втулка наружная4 Полушкив правый5 Ролик6 Болт М6х147 Пластина8 Кронштейн9 Шестерня приводная стартера10 Пружина11 Шестерня кикстартера12 Вал шестерни кикстартера13 Пружина вала14 Вал кик-стартера15 Втулка 12x16x1216 Втулка 14x18x1617 Пружина кикстартера18 Штифт 4.519 Ролик 3×8.520 Шайба 12 мм21 Шайба 14 мм22 Шайба 12.5 мм23 Втулка внутренняя24 Шайба 28 мм25 Гайка М1226 Шкив ведущий в сборе27 Кикстартер в сборе28 Шестерня кикстартера в сборе

1 Левая крышка двигателя2 Пластина3 Штифт 08×144 Зажим троса газа5 Зажим троса заднего тормоза6 Зажим трубки7 Прокладка крышки8 Винт 4×89 Болт М6х4010 Болт М6х6511 Болт М6х70

1 Шестерня электростартера2 Вал шестерни электростартера3 Шестерня муфты4 Корпус муфты5 Фланец муфты6 Пружина7 Колпачок8 Стартер9 Жгут электростартера10 Болт М5х811 Болт М6х1612 Болт М6х1213 Гайка М2214 Шайба 018x31x115 Штифт 05×616 Шпонка 15x14x417 Ролик 10×1018 Подшипник игольчатый 28x32x1719 Кольцо 24.4×3.120 Муфта

1 Крышка правая2 Прокладка крышки правой3 Крышка масляного фильтра4 Фильтр масляный5 Пружина фильтра6 Масляный щуп7 Зажим8 Манжета 19.8x30x59 Кольцо фильтра 030.810 Кольцо щупа 018×311 Штифт 08×1412 Болт М6х3213 Болт М6х9514 Болт М6×10015 Болт М6х11016 Болт М6х35

1 Головка цилиндра в сборе2 Блок коромысла3 Направляющая клапана впускного4 Направляющая клапана выпускного5 Прокладка головки цилиндра6 Прокладка7 Шайба прижимная8 Трубка8 Фиксатор10 Шайба11 Кольцо12 Кольцо 9.5×1.513 Шпилька М6х1814 Шпилька М6х5015 Гайка Мб16 Гайка М817 Штифт 010×1618 Болт М6×10019 Свеча зажигания

1 Крыльчатка2 Генератор в сборе3 Ротор4 Статор5 Шайба 0126 Болт М5х127 Гайка М128 Болт М6х169 Болт М6х22
Источник
Где стоят ограничители на скутере Kymco Agility 50
Кимко Агилити 50 это маленький, легкий и надежный скутер для неспешной езды по городу. Многие мопеды приходят со встроенными с завода ограничителями, чтобы соблюдать законы в государствах, которые позволяют ездить на мото до 50 кубов без регистрации и не открывать права на скутер.
Ограничители максимальной скорости на Agility 50:
- CDI (модуль зажигания) ограничивает крутящий момент двигателя до 7000 об/мин
- Вариатор и ремень имеет конструкцию, ограничивающую максимальную скорость
- Жиклер карбюратора ограничивает расход топлива
Все они вместе ограничивают скутер до максимальной скорости 50 км/ч (в соответствии с требованиями для водителей без прав). Душылки могут быть легко удалены (дилером или владельцем), что увеличит разгон до 75 км/ч и улучшит динамику. Вы можете заменить CDI или проделать некоторые операции в катушке зажигания, которые будут ограничивать мотор до 9000 об/мин, а не 7000. Также можно удалить ограничитель с вариатора, что придаст немного скорости, и установить несколько больший основной жиклер, который будет слегка обогащать смесь для лучшей производительности. Но в таком случае нужно быть готовым к увеличению расхода топлива.
Тормоза тайваньского Агилити типичны для скутеров этого класса: дисковые передние и барабанные задние. Оба тормозные механизмы работают хорошо (задний тормоз намного лучше, чем в большинстве скутеров из Китая). Колеса 12» , что опять-таки характерно для таких мопедов и, конечно, лучше, чем 10» покрышки, установленные на многих полтинниках.
Объем бензобака составляет 5 л, на которых Вы сможете преодолеть расстояние не менее 150 км. Расход бензина моего Kymco Agility 50 приблизительно 2,5 литров на 100 км. При снятых ограничителях и движении с нагрузками трата топлива будет где-то 3,2 л.
Агалити 50 имеет хорошую особенность в том, что сиденье разделено на две части, а задняя его половина может быть зафиксирована в вертикальном положении, чтобы выступать в качестве спинки, как показано на фото ниже.

Размер багажника-унитаза позволяет положить в него шлем для скутера. Обычно в стандартную комплектацию входит и кофр. На панели приборов присутствует спидометр, одометр, но нет тахометра. Также есть указатель уровня топлива и современные часы.
Двигатель Kymco Agility 50 является обычным 4 тактным 2 клапанным силовым агрегатом типа GY6, объемом 49,5 см3, который устанавливался на многих скутерах на протяжении нескольких десятилетий. Этот испытанный двигатель способен на длительный срок службы, если его правильно обслуживать и эксплуатировать.
Освещение скутера не подходит для дальних поездок в темное время суток (лампочки по 35 Вт). При установке более мощного света нужно быть осторожным, чтобы избежать расплавления пластика. С другой стороны на 50 кубовом мотороллере Вы не будете передвигаться слишком быстро, так что прожектор, освещающий дорогу на километр перед мопедом, не нужен.
Коммутатор
Для проверки коммутатора нам потребуется контрольная лампа — это обычная лампочка на 12 Вольт с выведенными проводками для удобства подключения. Контрольную лампочку и подключаем ее одним концом к проводу массы, вторым к проводу катушки зажигания. Крутим стартером двигатель.
Если лампочка загорится — коммутатор и его проводка исправны. Если лампочка гореть не будет, значит неисправен коммутатор, либо проводка коммутатора. Для того чтобы быть на 100% уверенным, что дело не в коммутаторе — я рекомендую его заменить на заведомо исправный. Коммутатор для китайских мопедов стоит недорого, если вдруг окажется что старый коммутатор исправен — пусть лежит у вас до «прозапас» до следующей проверки.
Улучшение карбюратора
Английские и французские тюнинговые фирмы считают, что даже карбюратор размера 12-мм не является ограничивающим элементом для двигателя 50сс, тем более не является таковым типичный 14-мм карбюратор Teikei, Mikuni или Dell’Orto, устанавливаемый практически на все современные модели скутеров 50сс. Однако после установки цилиндра объема 70сс (и особенно 80-85сс) увеличение размера диффузора карбюратора начинает существенно добавлять двигателю мощности. Большинству цилиндров 70сс и 85сс шоссейного класса вполне достаточно карбюратора Dell’Orto 17-мм или 18-мм, однако для гоночного цилиндра 70-85сс может понадобиться и карбюратор размера 22-мм.
Обычно замена карбюратора сопровождается заменой окружающих его установочных элементов – всяких держателей, патрубков и прочего, а также часто сопровождается установкой нового воздушного фильтра увеличенной производительности. Собственно, наборы тюнинговых карбюраторов Malossi и Polini как раз и состоят из карбюратора с комплектом подобных установочных деталей.
Трансмиссия: недостижимый компромисс
Я не буду излагать сейчас подробности конструкции вариатора и сцепления, ограничившись констатацией главного принципа работы автоматической трансмиссии скутера: вариатор стремится удержать обороты двигателя постоянными – на уровне оптимальных для максимальной мощности мотора, изменяя передаточное отношение пропорционально нагрузке. Спепление, в свою очередь, обеспечивает возможность мотору достигнуть номинальных оборотов перед троганием с места, и расцепляет мотор с колесом при резком сбросе газа – для обеспечения движения накатом (на умеренной скорости).
Схема трансмиссии скутера в разобранном состоянии.
Поскольку тюнинг двигателя изменяет его характеристики в части оптимальных оборотов, это требует перенастройки вариатора и сцепления.
Хуже того – вариатор, рассчитанный на передачу мощности стандартного двигателя 50сс, при работе с увеличившимися крутящими моментами мощных тюнинговых моторов (70cc и особенно 85сс) начинает работать с проскальзыванием ремня, что снижает скорость и приводит к очень быстрому износу ремня и дисков вариатора. Особенно склонен к проскальзыванию вариатор при трогании с места и на малой скорости – в этих режимах ремень бегает по малому радиусу ведущего диска (то есть минимально его пятно контакта с дисками) и при этом наиболее слабо натянут (из-за максимально сведенных ведущих дисков). Единственная возможность парировать это – увеличить натяг возвратной пружины вариатора (либо, что лучше, установить специальный более жеский тюнинговый вариатор).
Сцепление тоже нуждается в перенастройке – особенно если Вы использовали тюнинг, заостряющий характеристику мотора, ведь для динамичного старта с места надо, чтобы к моменту зацепления колодок сцепления двигатель успел набрать обороты, близкие к оптимальным по мощности. Кроме того, сцепление также не всегда в состоянии выдержать увеличившийся крутящий момент мотора без проскальзывания – поэтому на машинах с двигателями 70сс и выше стоит подумать о его замене на тюнинговое трехколодочное Polini или Malossi.
Профессиональный тюнинг – штука тонкая, он не сводится к тупой установке тюнинговых китов, это лишь первая фаза работы, а вторая, на которую падает 80-90% трудоемкости – это отстройка всего этого хозяйства на оптимальные параметры и просто нормальную совместную работу, причем чем радикальнее тюнинг – тем сложнее вторая часть работы, тем более высокой квалификации она требует.
Реле-регулятор
Это тот самый выпрямитель, который преобразует переменное напряжение в постоянное, диапазоном 13,5-14,9 В. Ц
Регулятор размещен под пластмассовой крышкой скутера в передней части. Он прикреплен к металлической подложке для лучшего отвода тепла.
Основными цепями схемы реле являются:
- Зеленый провод – общий.
- Красный – выход преобразованного и стабилизированного напряжения в установленных пределах.
- Белый и желтый – вход переменного тока на регулятор. За счет электроники, напряжение преобразуется в мощные импульсы. По желтому проводу питается сильная нагрузка бортовой сети – фары и подсветка панели приборов.
Ток для ламп не стабилизированный, но ограничен до допустимых значений. При больших оборотах генератора напряжение выходит за рабочие диапазоны ламп, что ведет к их перегоранию. Ситуация отлично знакома тем, кто сталкивался с неисправными реле-регуляторами.
Из-за одного узла можно в считанные секунды лишиться всех лампочек, поэтому следить за бортовым напряжением следует регулярно.
Устройство электронного зажигания скутера
Современная система зажигания скутера 4т устроена следующим образом: коммутатор и катушка, являющиеся ее основными элементами, обеспечивают подачу высокого напряжения на свечу зажигания, которая вырабатывает электрический разряд, способный воспламенить топливо. Катушка формирует высокое напряжение благодаря электромагнитной индукции. Коммутатор нужен для распределения напряжения его прерывания в нужный момент. Внутри содержится электронная схема, тиристор и три выхода для проводов. В нужный момент коммутатор подает напряжение или отключает его.
Принцип работы системы зажигания скутера таков: от аккумулятора подается напряжение на катушку, которая часто завязана с коммутатором в одном блоке, коммутатор подает напряжение на свечу, решает, когда его прерывать. Смесь в цилиндрах загорается в нужное время. От того, как настроено и выставлено зажигание, зависит правильность работы двигателя и то, будет ли он вообще заводиться.
Коммутатор
У многих моделей скутеров коммутатор объединен с катушкой, поэтому при выходе из строя одного из устройств приходится менять блок целиком. Стоят такие запчасти недорого.
Внешне коммутатор похож на пластиковый коробок. Внутри находится микросхема, разнообразная электроника, которая ремонту не подлежит. Кроме этого, там имеется тиристор. Задачей этого элемента является прерывание электрического импульса в нужный момент; для этого он имеет три вывода. При попадании тока на один из них тиристор превращается в проводник, а ток перемещается от входного контакта к выходному. При достижении определенного напряжения и спаде тока импульс прерывается, после этого датчик Холла возвращает тиристор в исходное положение, чтобы сигнал поступал вновь на третий вывод. Процесс повторяется всякий раз, как напряжение поступает снова.
Реле-регулятор
Это тот самый выпрямитель, который преобразует переменное напряжение в постоянное, диапазоном 13,5-14,9 В. Ц
Регулятор размещен под пластмассовой крышкой скутера в передней части. Он прикреплен к металлической подложке для лучшего отвода тепла.
Основными цепями схемы реле являются:
- Зеленый провод – общий.
- Красный – выход преобразованного и стабилизированного напряжения в установленных пределах.
- Белый и желтый – вход переменного тока на регулятор. За счет электроники, напряжение преобразуется в мощные импульсы. По желтому проводу питается сильная нагрузка бортовой сети – фары и подсветка панели приборов.
Ток для ламп не стабилизированный, но ограничен до допустимых значений. При больших оборотах генератора напряжение выходит за рабочие диапазоны ламп, что ведет к их перегоранию. Ситуация отлично знакома тем, кто сталкивался с неисправными реле-регуляторами.
Из-за одного узла можно в считанные секунды лишиться всех лампочек, поэтому следить за бортовым напряжением следует регулярно.
Генератор
Владельцы 50сс, которые знакомы с конструкцией скутера, сразу поймут назначение данного прибора. Он вырабатывает переменный электрический ток, которым питается мопед при заведенном двигателе. Но вторым главным заданием является зарядка аккумулятора во время работы. То есть батарея обеспечивает работу приборов при заглушенном моторе, а дальше эту задачу берет генератор.
Подключение выполняется по следующему принципу. От генератора отходят несколько проводов. Минусовая шина прикреплена к раме скутера. На белом проводе присутствует переменное напряжение, которое сразу отправляется на выпрямление и стабилизацию.
В электросхеме желтый провод питает фонарь ближнего и дальнего света. Дополнительно в корпусе генератора размещен датчик Холла. Его задача – сформировать импульсы для управления искрообразованием. Электрически он не подсоединен к генератору, с ним связаны бело-зеленый и красно-черный провод. Датчик коммутируется с блоком CDI.
Генератор
Владельцы 50сс, которые знакомы с конструкцией скутера, сразу поймут назначение данного прибора. Он вырабатывает переменный электрический ток, которым питается мопед при заведенном двигателе. Но вторым главным заданием является зарядка аккумулятора во время работы. То есть батарея обеспечивает работу приборов при заглушенном моторе, а дальше эту задачу берет генератор.
Подключение выполняется по следующему принципу. От генератора отходят несколько проводов. Минусовая шина прикреплена к раме скутера. На белом проводе присутствует переменное напряжение, которое сразу отправляется на выпрямление и стабилизацию.
В электросхеме желтый провод питает фонарь ближнего и дальнего света. Дополнительно в корпусе генератора размещен датчик Холла. Его задача – сформировать импульсы для управления искрообразованием. Электрически он не подсоединен к генератору, с ним связаны бело-зеленый и красно-черный провод. Датчик коммутируется с блоком CDI.
Элементы цепи зажигания
Система зажигания является важным элементом в работе всего скутера. От нее зависит формирование искры и точно рассчитанный импульс, который поджигает топливо.
В состав схемы зажигания скутера входит множество компонентов, которые отвечают за определенную работу.
Модуль зажигания CDI
Первым в списке элементов стоит модуль CDI. Эта аббревиатура означает Capacitor Discharge Ignition — зажигание от разряда конденсатора.
Модуль коммутатора выполнен в неразборной коробке, поэтому при выходе его из строя он меняется на новый. К нему подключается 5 проводов, разведенных по всей схеме зажигания скутера.
Блок запрятан внутри скутера, подобраться к нему не просто. Пластиковые накладки придется полностью демонтировать.
Катушка зажигания
Назначение этого компонента – быстрый импульс высоковольтного напряжения по сигналу коммутатора. Оно поступает прямо на свечу, где преобразуется в искру.
Находится катушка с правой стороны скутера — китайца и крепится к его несущей конструкции. Распознать ее просто – она выполнена в виде пластиковой бочки. С обратной стороны находится подключенный толстый провод. Именно он переносит разряд по схеме от трансформатора на свечу.
Для защиты от попадания грязи и пыли катушка помещена в резиновый чехол.
Свеча зажигания
Ее функция проста – образовать искру и поджечь смесь внутри цилиндра. В скутере используется свеча типа А7ТС.
Ее положение скрыто от глаз, но опытные владельцы знают, где ее искать. Пройдя по высоковольтному проводу, доходим к блоку двигателя и колпачку свечи.
Резиновый уплотнитель защищает контакт от случайного электрического пробоя. Снимается небольшим усилием по направлению к себе. Сильно дергать за провод не стоит – колпачок может оторваться.
Выкручивается свеча торцовым ключом. После извлечения нужно осмотреть цвет контактов, их состояние. Показатель хорошей работы двигателя – коричневый оттенок без следов нагара. Отклонение от нормы свидетельствует о сбоях в работе карбюратора.
Стартер
Прибор служит для облегченного запуска двигателя скутера, без использования кик-педали. Стартер размещается в средней части мопеда, возле двигателя. Чтобы его открыть, необходимо снять декоративный пластик.
Подключается стартер через пусковое реле, которое находится на раме скутера.
Датчик и индикатор топлива
Датчик измеряет количество бензина в баке и сигнализирует о необходимости заправки. Он находится в самом баке и соединен тремя проводами.
Индикатор напрямую связан с датчиком. Оба питаются стабилизированным током с выпрямителя. Если наблюдаются проблемы в работе индикатора, следует проверить подключение к схеме.
Напряжение подается только при включенном замке зажигания.
Реле поворотов
Прерыватель служит для управления фонарями поворотов. При замыкании кнопки, реле выдает импульсы тока, частотой 1 Гц.
Находится блок под панелью приборов. Чтобы поменять реле нужно снять пластмассовую защиту.
Коммутация схемы не представляет сложности. При правом повороте, напряжение течет по синему проводу, который отвечает за соответствующие лампы. Левое положение переключателязамыкает серую шину на оранжевую.
Параллельно к магистралям схемы поворотов подключены дублирующие лампы на панели приборов. Они сигнализируют о включенных лампах с конкретной стороны скутера.
Звуковой сигнал
Назначение звукового клаксона понятно всем. На скутере он расположен возле реле-ограничителя.
Питается сигнал постоянным током через замок зажигания и активируется кнопкой на руле мопеда. Компонент является неразборным, поэтому при выходе из строя его меняют полностью.
Задний редуктор
Особенностью скутеров 50сс с автоматической трансмиссией является то, что даже при значительном увеличении мощности их двигателя (особенно за счет увеличения его объема) их максимальная скорость возрастает незначительно, так как аппарат оказывается чрезмерно задушен задним редуктором (его передаточное число слишком велико для возросшей мощности мотора).
Поэтому следующим после увеличения объема цилиндра шагом должно явиться приобретение тюнингового набора для заднего редуктора (так называемого Gear Kit). Типичные Gear Kit-ы уменьшают передаточное число заднего редуктора на 50-70%, примерно на столько же увеличивая максимальную скорость Вашего скутера (ценой некоторого уменьшения приемистости) – разумеется, если Вы располагаете достаточной мощностью двигателя. С цилиндром 85сс шоссейного класса и Gear-Kit-ом обычная Yamaha Jog достигает скорости 110-120 км/ч, с гоночным цилиндром – еще более высокой.
Замок зажигания
Данный компонент в схеме 4 -тактного мопеда 50сс или 150сс представляет переключатель. Причем он многопозиционный.
Замок выполняет задачу центрального рубильника. Он выключает питание всего скутера и включает цепь обратно при повороте ключа. Сама личинка соединена с бегунком, который замыкает соответствующие контакты.
В первом положении взаимодействуют главные провода – красный и черный. Ток от аккумуляторной батареи поступает к основным цепям скутера. С тех пор он готов к запуску.
Остальные положения замыкают черно-белый провод из модуля зажигания на массу скутера. Выполняется блокировка работы мотора путем прерывания подачи искры из катушки. В зависимости от модификации, некоторые модели в электросхеме имеют стоп-кнопку. Она выполняет ту же функцию, что и замок.





































